ISO 9001:2015 Chứng nhận
24/7 Dịch vụ
Đạt chuẩn Chuyên gia

Tin tức

Tổng quan về băng tải băng chuyền

I. Băng chuyền là gì? Băng chuyền là sản phẩm máy móc hỗ trợ đắc lực cho con người trong công việc vận chuyển, chế tạo, chế biến, đóng gói hàng hoá,… Cỗ máy này sở hữu khả năng vận chuyển một vật, bưu kiện hoặc gói hàng từ điểm A đến điểm B trong…

Nguyên Lý Hoạt Động Của Tháp Giải Nhiệt

Nguyên lý hoạt động Tháp giải nhiệt tròn Được thiết kế luồng không khí theo hướng ngược với lưu lượng nước. Ban đầu luồng không khí tiếp xúc với môi trường màng giải nhiệt, sau đó luồng không khí kéo lên theo phương thẳng đứng. Lưu lượng nước được phun xuống do áp xuất không…

Đặc điểm của tháp giải nhiệt nước

Tháp giải nhiệt nước với tên gọi khác như tháp làm mát nước, tháp giải nhiệt công nghiệp được ứng dụng cho các ngành công nghiệp. Tháp giải nhiệt có hai loại chính là tháp giải nhiệt tròn và tháp giải nhiệt hình vuông. Tháp giải nhiệt nước là một thiết bị được sử dụng…

Cách Tính Công Suất Điều Hoà Phù Hợp Với Không Gian

Sự cần thiết của việc tính công suất điều hòa Điều hòa là một thiết bị vô cùng cần thiết trong việc cải thiện chất lượng không gian trong những ngày hè oi bức. Chúng được lắp đặt và sử dụng ở rất nhiều môi trường không gian khác nhau. Nếu chưa từng là người…

Các Loại Hệ Thống Lạnh Trong Công Nghiệp

Hiện nay có rất nhiều loại hệ thống lạnh công nghiệp, tuy nhiên tùy thuộc vào tính chất của công trình và khả năng tài chính mà mọi người có thể lựa chọn hệ thống phù hợp. Dưới đây là 3 loại hệ thống làm lạnh công nghiệp được sử dụng phổ biến nhất: Điều hòa…

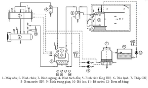
Cấu Tạo Hệ Thống Lạnh Công Nghiệp

Sơ đồ hệ thống lạnh công nghiệp Mỗi hệ thống lạnh thường chỉ sử dụng 1 hệ thống điều khiển và các thiết bị vận hành. Vì vậy cách vận hành của chúng cũng không quá phức tạp. Cấu tạo hệ thống lạnh Hệ thống lạnh có cấu tạo gồm các bộ phận chính là:…

Hệ Thống Lạnh Công Nghiệp Là Gì?

Hệ thống lạnh công nghiệp là vấn đề được rất nhiều người quan tâm. Bởi các nhà xưởng hiện nay đều đang sử dụng rộng rãi phương pháp làm mát bằng hệ thống lạnh. Hệ thống này có chức năng điều hòa không khí để làm mát thiết bị, máy móc hoặc không gian nhà…

Tại sao phải vệ sinh rửa máy lạnh, thường xuyên?

Tại sao phải vệ sinh rửa máy lạnh, thường xuyên? Vệ sinh các bộ phận bên trong máy sẽ tăng khả năng làm mát, làm lạnh tốt hơn so với thông thường. Giúp đảm bảo sức khỏe của các thành viên trong gia đình. Vệ sinh điều hòa tại nhà giúp tăng tuổi thọ cho…

Cách Vệ Sinh Máy Lạnh Treo Tường

BƯỚC 1. KIỂM TRA KHU VỰC DÀN LẠNH VÀ VỆ SINH CỤC NÓNG MÁY LẠNH Kiểm tra trước toàn bộ hệ thống máy lạnh như dàn lạnh và cục nóng có dị vật: đinh ốc, xác côn trùng, cục bụi bị nghẹt,… gì không. Nếu có thì để ra không để vật cản gây nghẹt…

Hướng Dẫn Vệ Sinh Điều Hoà

Hướng dẫn vệ sinh điều hòa trong 5 bước Máy lạnh sẽ hoạt động hiệu quả hơn khi các linh kiện bên trong cũng như các cánh quạt tản nhiệt sạch sẽ. Vì thế, một bí quyết để tiết kiệm tiền và giúp không gian được mát mẻ hơn là bạn có thể tự vệ…

NGUYÊN LÝ HOẠT ĐỘNG ĐIỀU KHIỂN TĂNG ÁP CẦU THANG

Những thiết bị cho một hệ thống tăng áp bao gồm: quạt tăng áp , đường ống dẫn gió, các cửa cấp, các van đóng mở, các cảm biến, tủ cấp nguồn và điều khiển. Mỗi chức năng của những thiết bị này nhằm mục đích để khói và lửa không vào thang bộ được thì cột…

Nguyên lý hoạt động và cấu tạo hệ thống chữa cháy vách ngăn

Cấu tạo hệ thống màn ngăn cháy Một hệ thống chữa cháy màng ngăn có cấu tạo bao gồm các bộ phận chính như: Hệ thống báo cháy drencher Hệ thống báo cháy trong hệ thống chữa cháy màng năng có cấu tạo và chức năng giống như các hệ thống chữa cháy thông thường. Điểm…

Zalo Zalo